2D 121-130
121
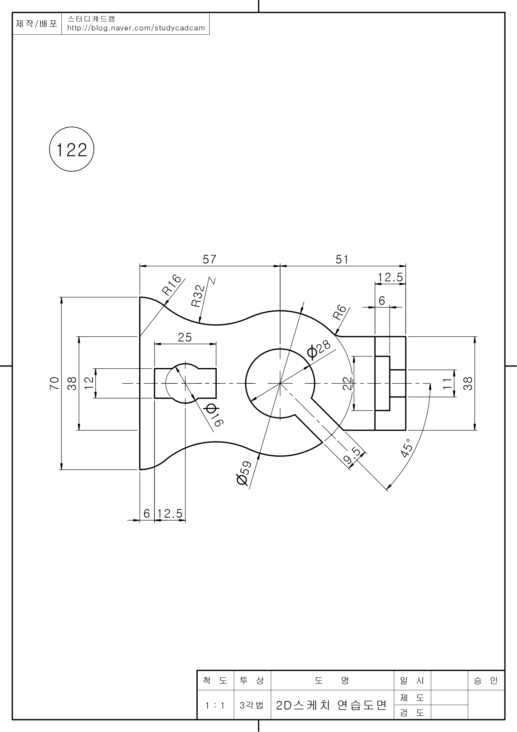
122
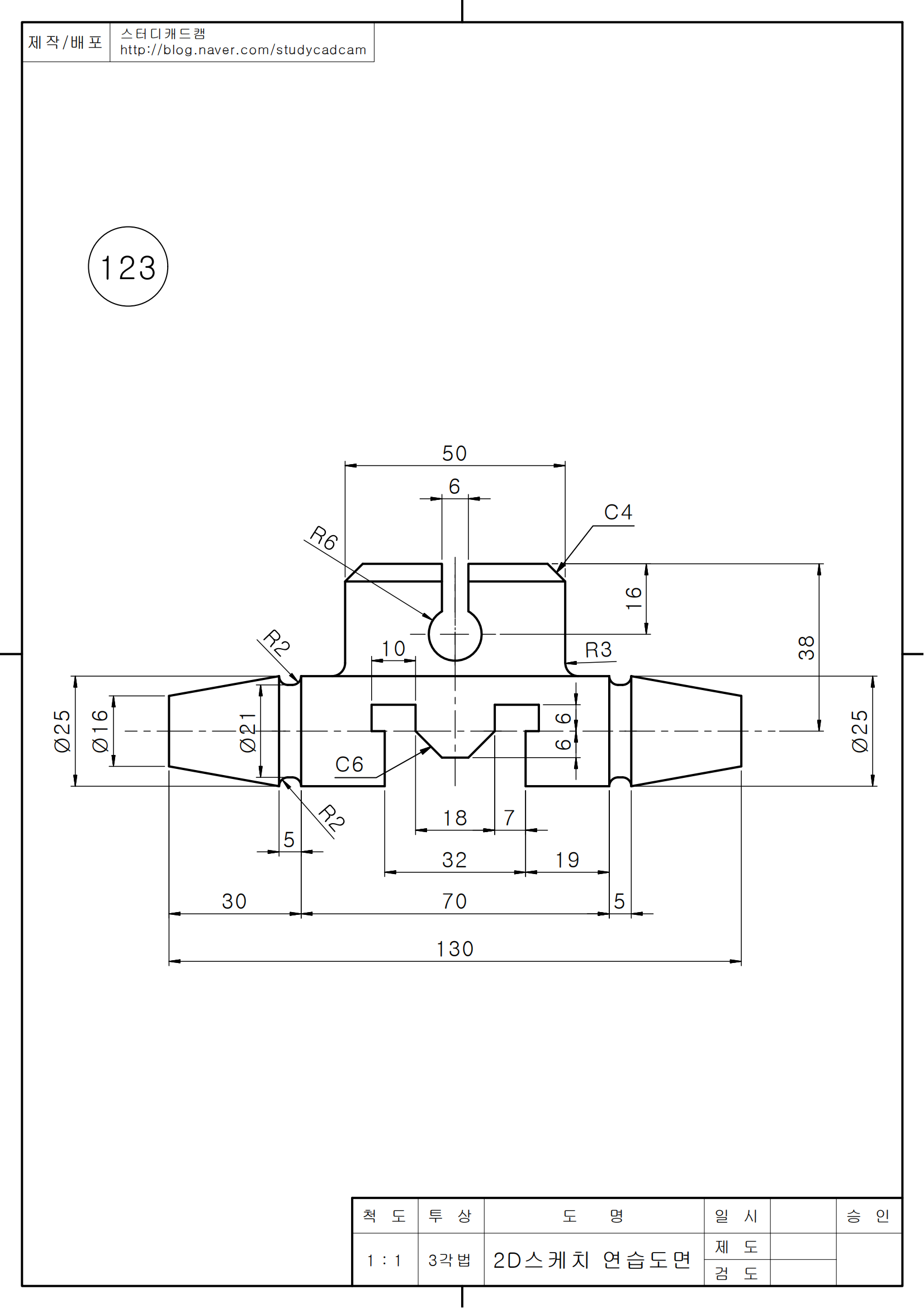
123
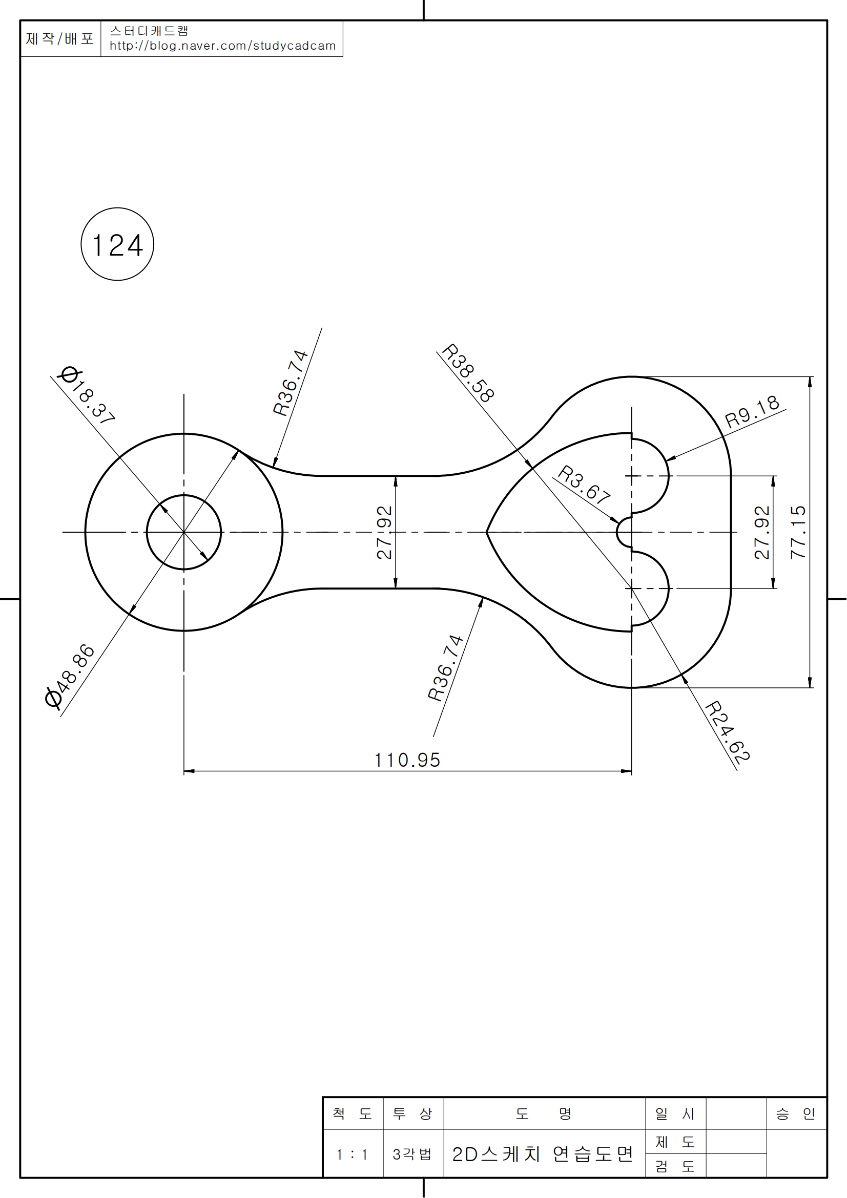
124
125
126
127
128
129
130
121
122
123
124
125
126
127
128
129
130