2D 311-320
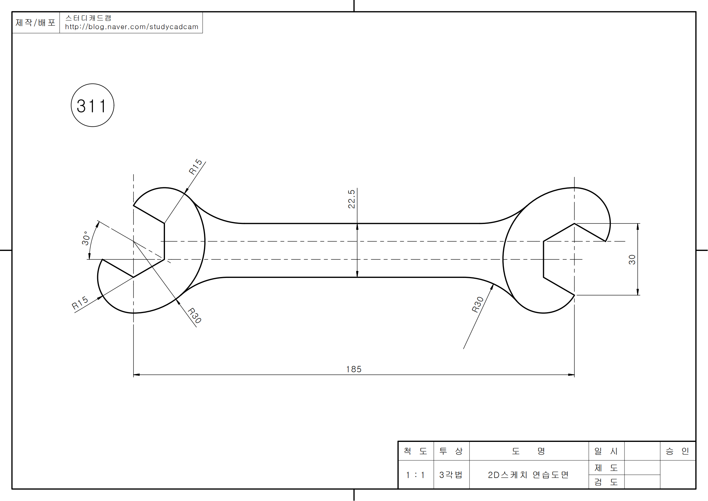
311
312
313
314
315
316
317
318
319
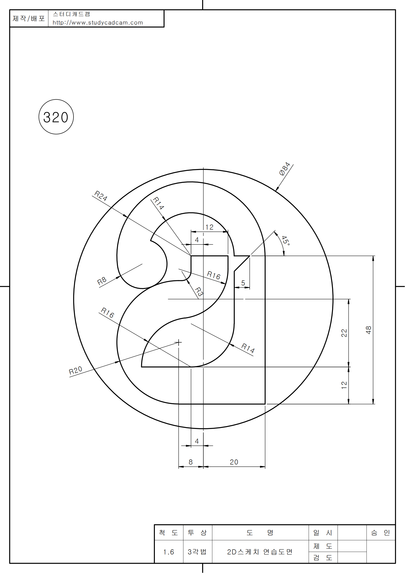
320
311
312
313
314
315
316
317
318
319
320