2D 341-350
341
342
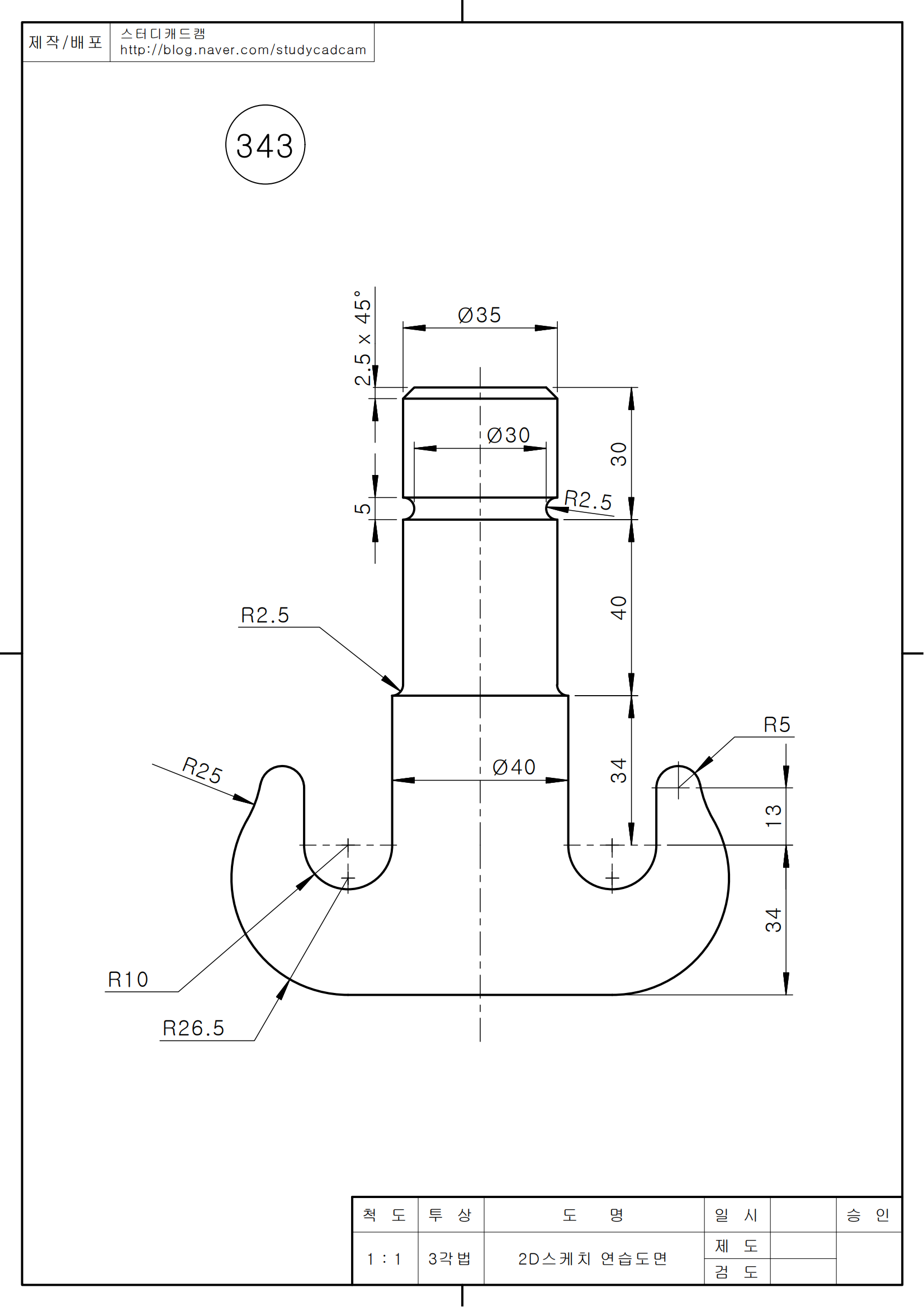
343
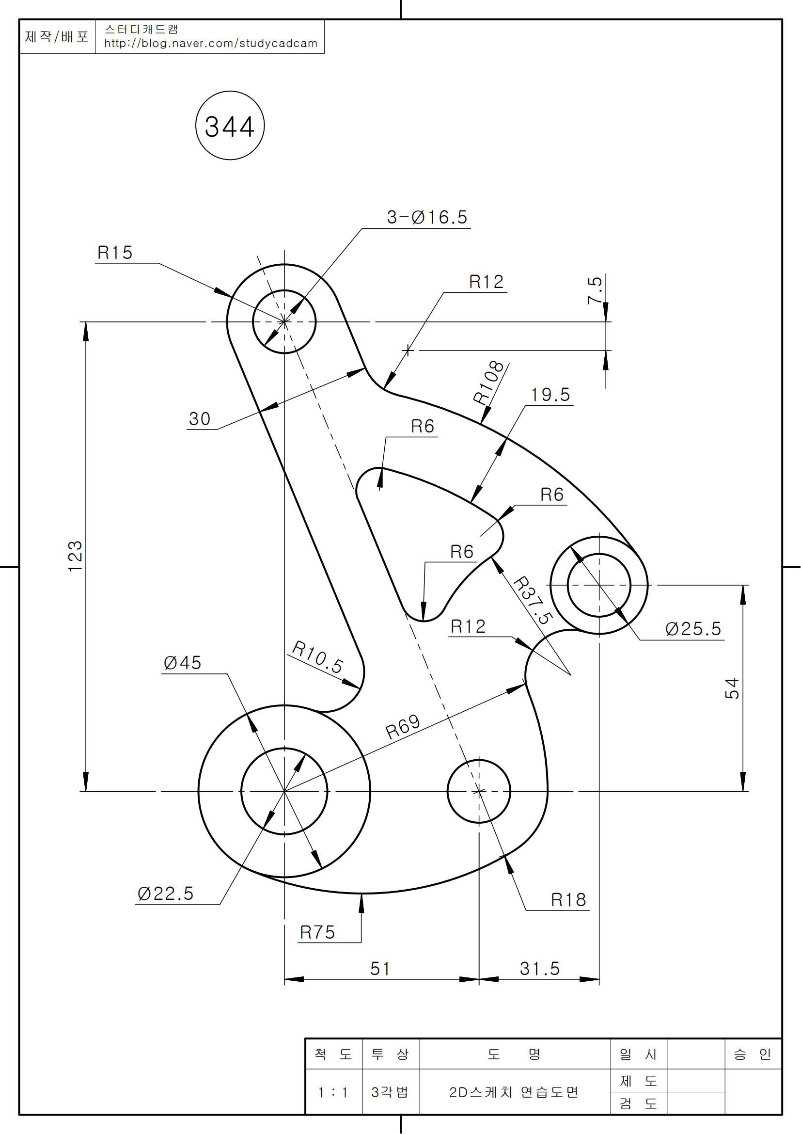
344
345
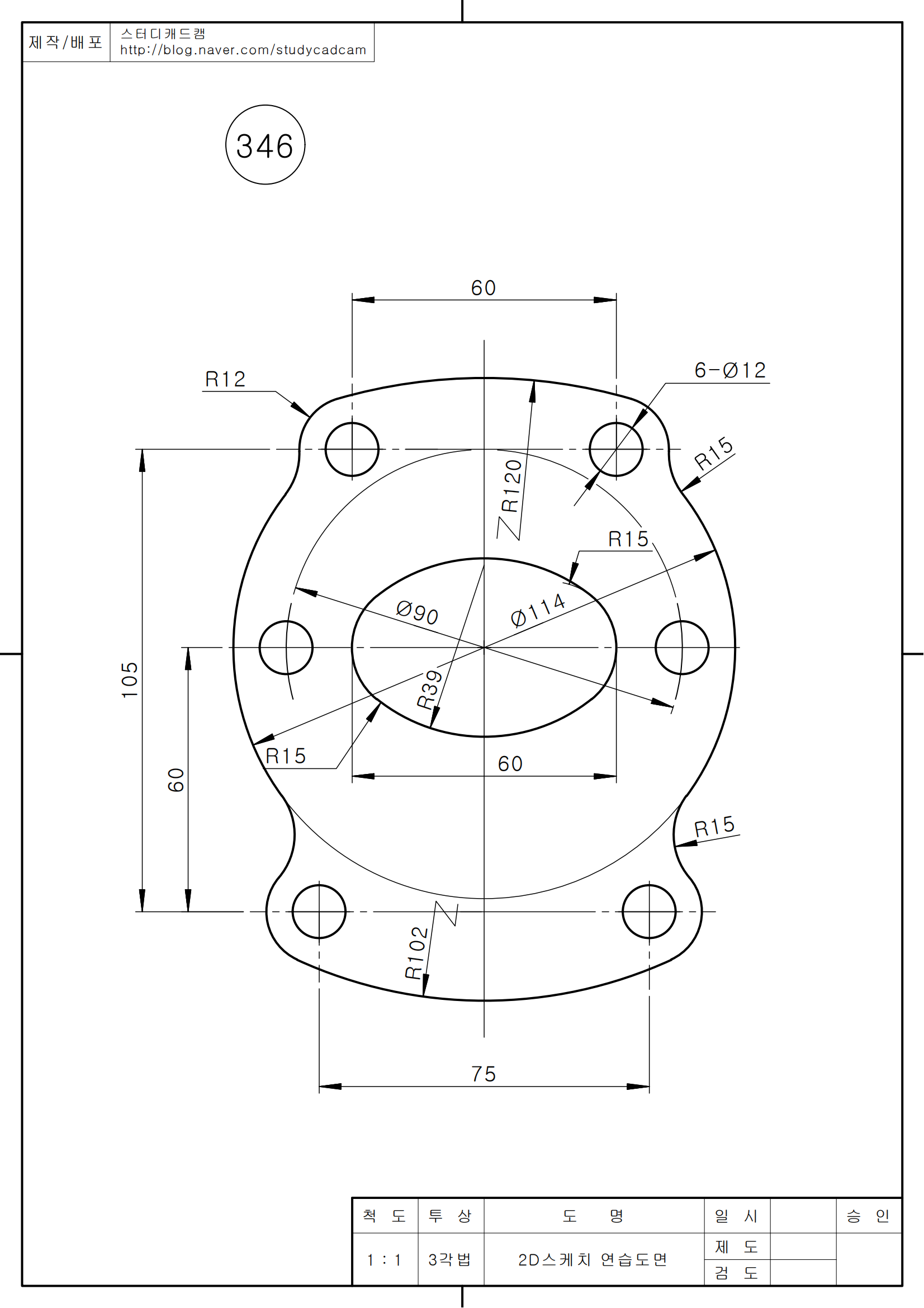
346
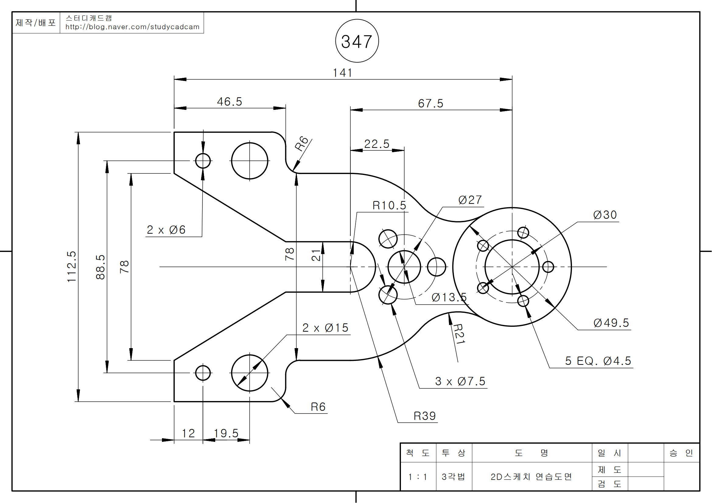
347
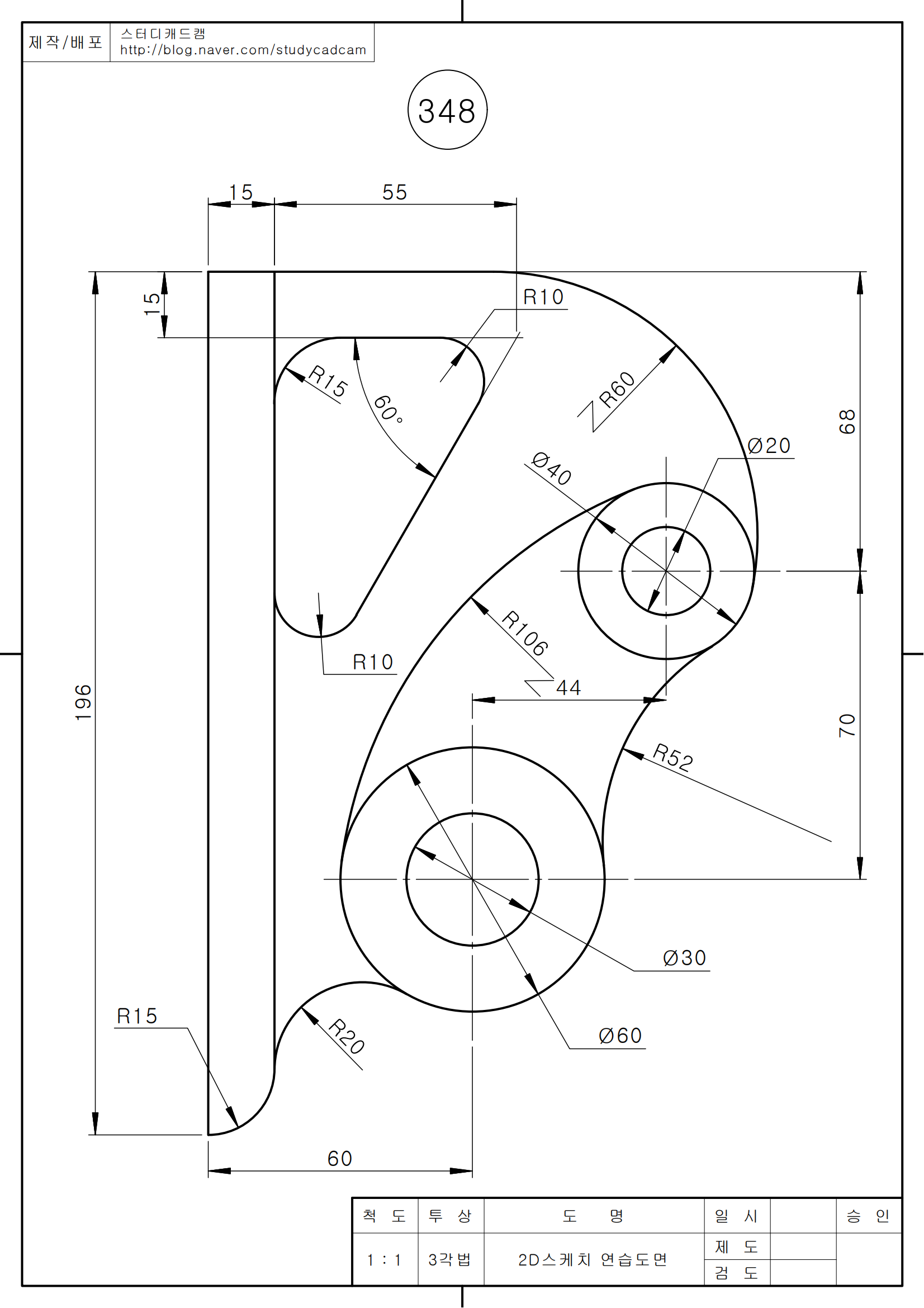
348
349
350
341
342
343
344
345
346
347
348
349
350