StudyCadCam 2D
返回首页
2D 41-50

41

42

43

44

45

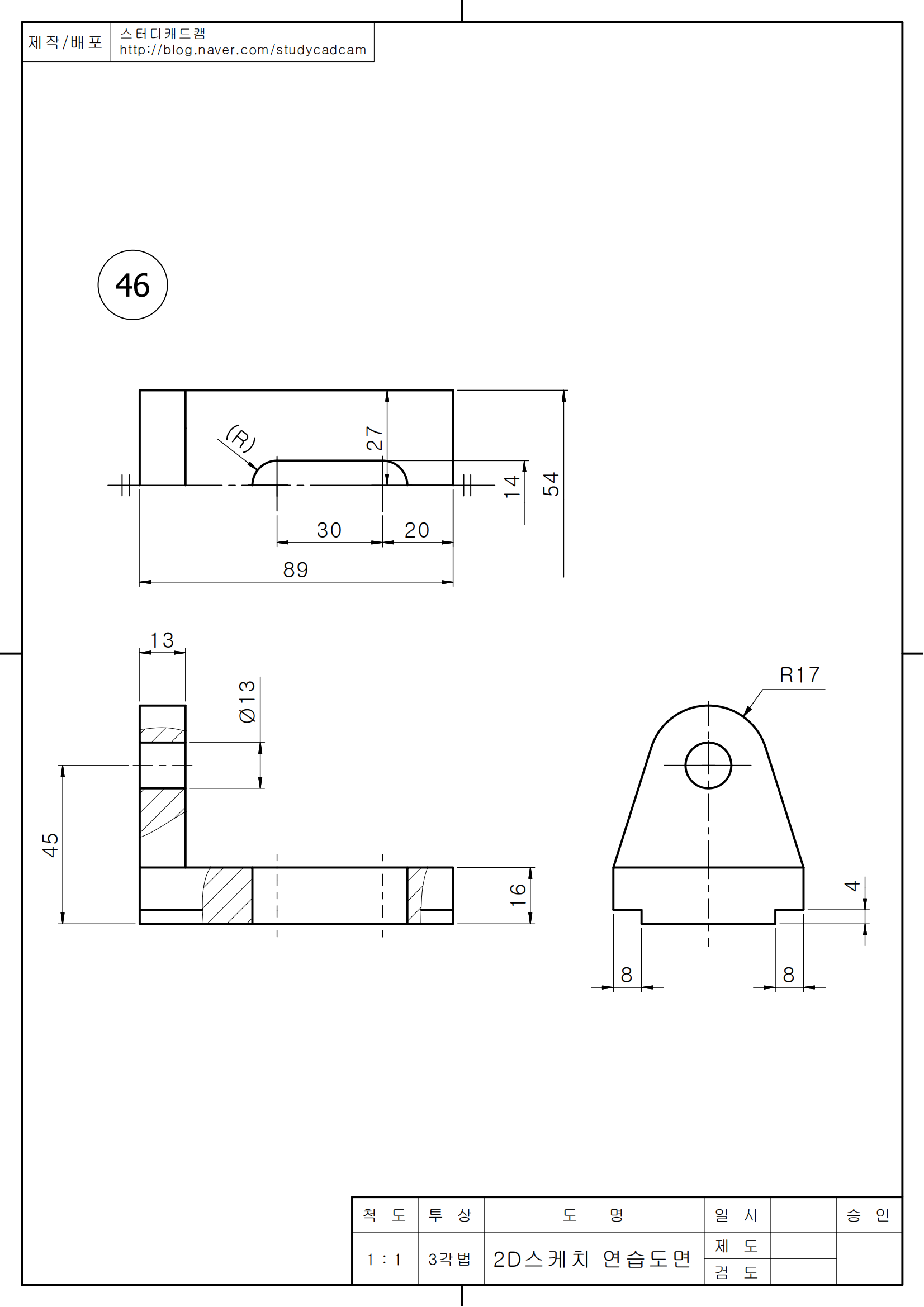
46

47

48

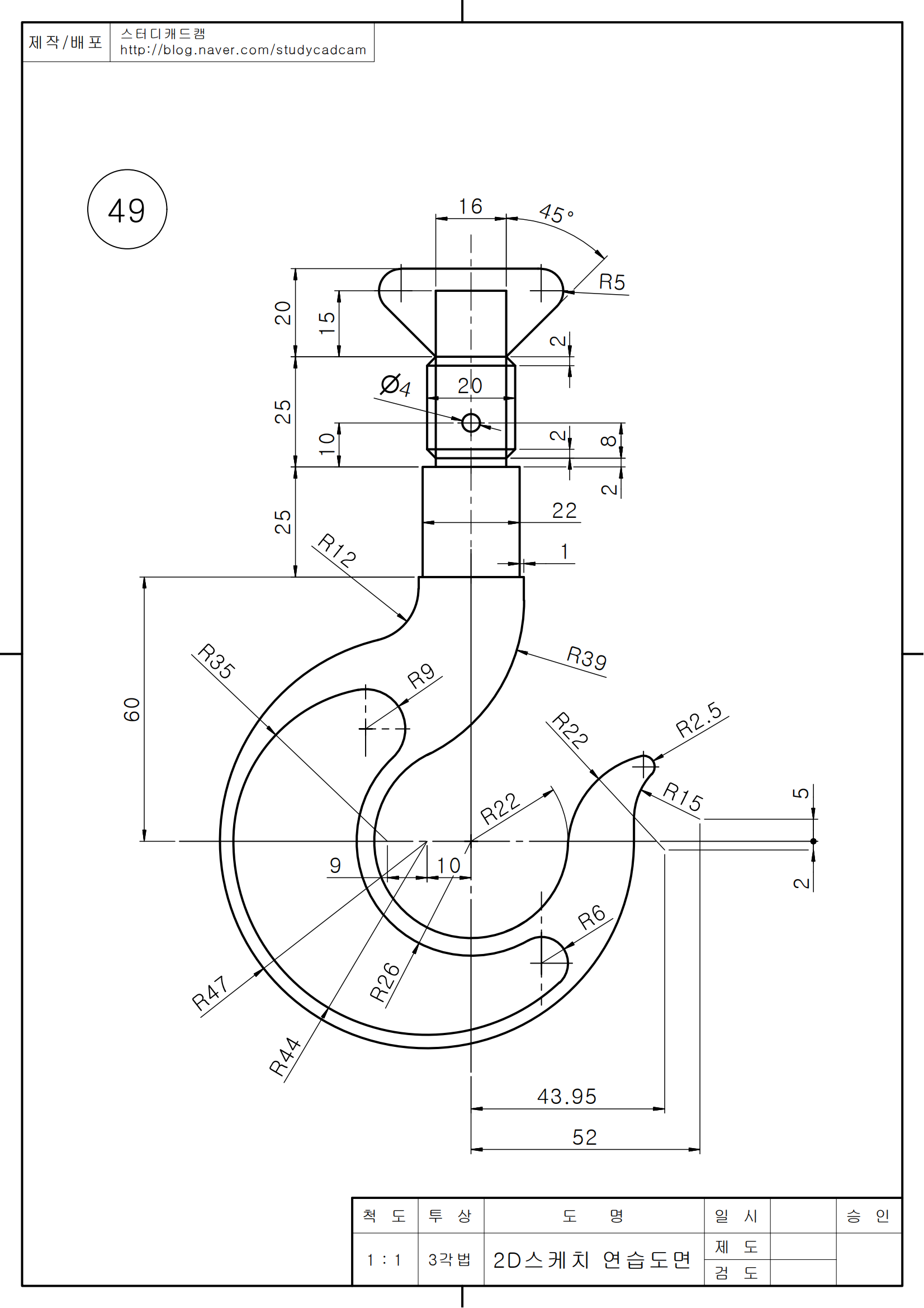
49

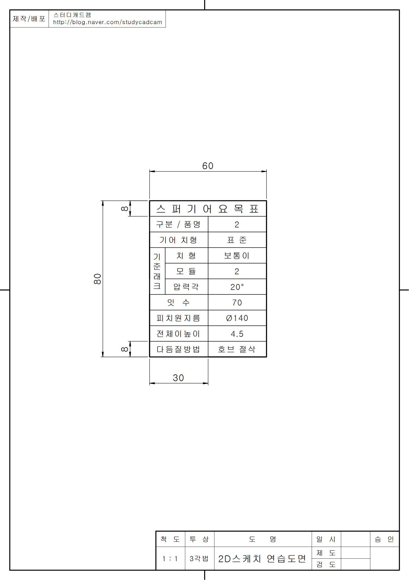
50