StudyCadCam 2D
返回首页
2D 81-90

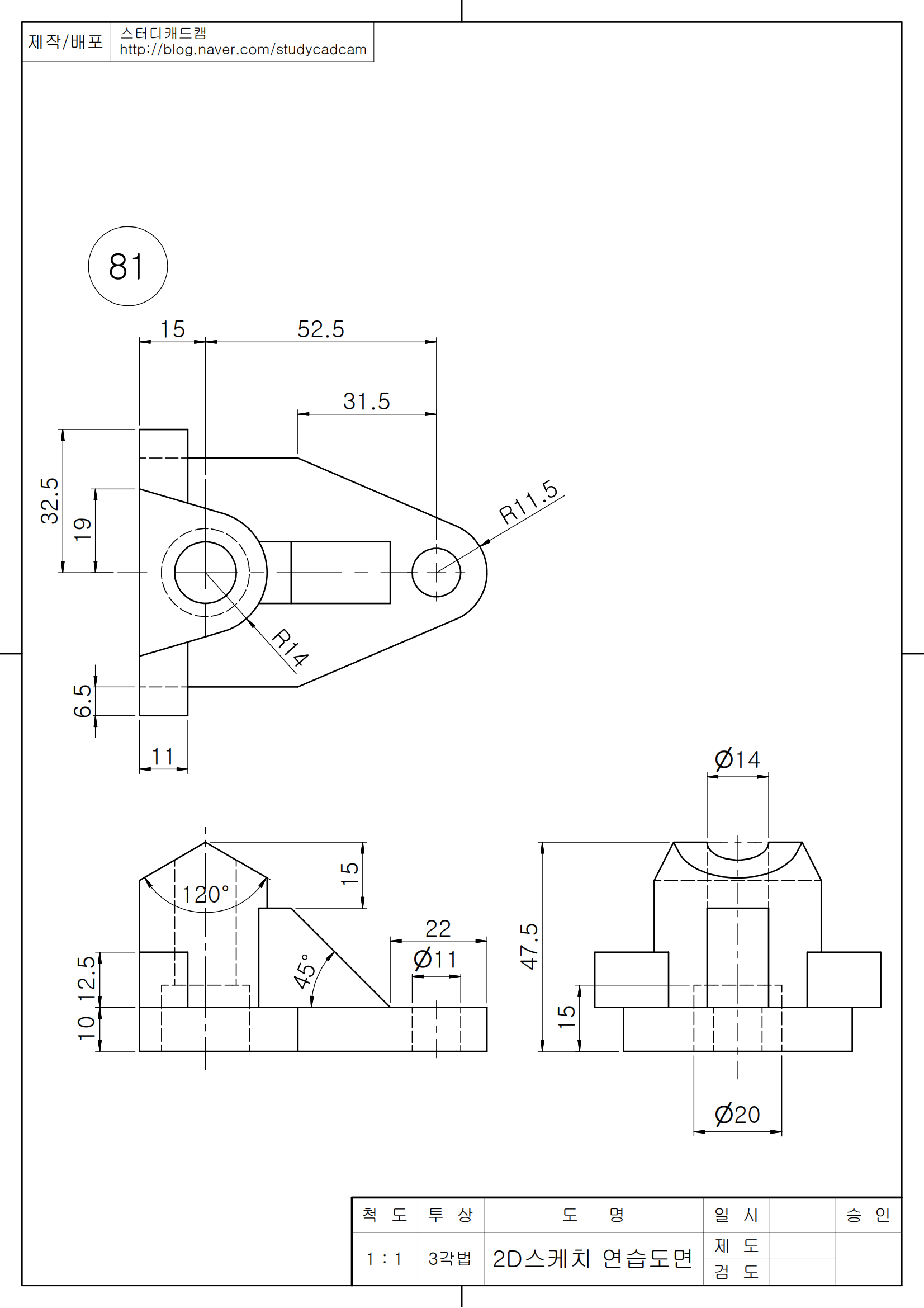
81

82

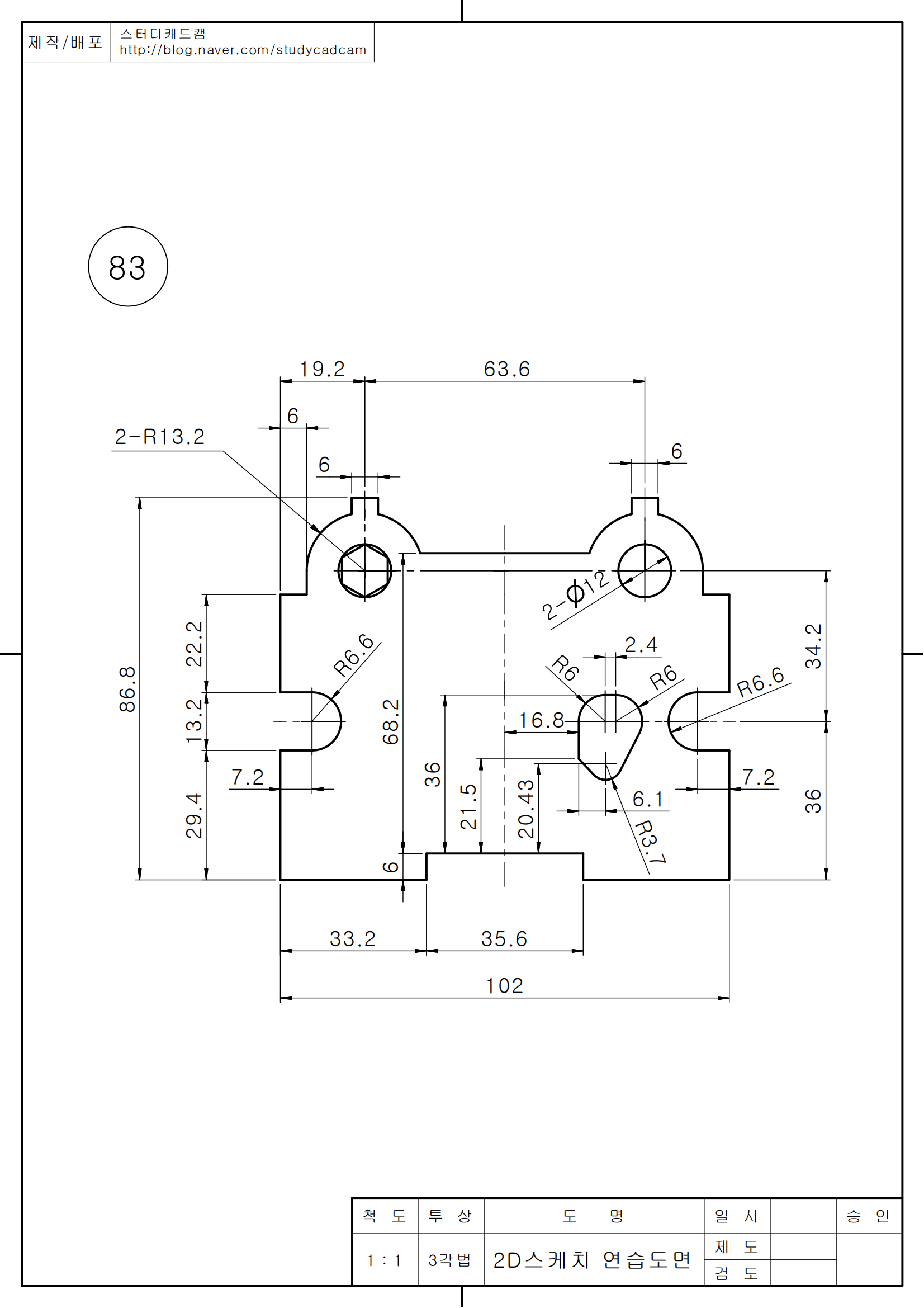
83

84

85

86

87

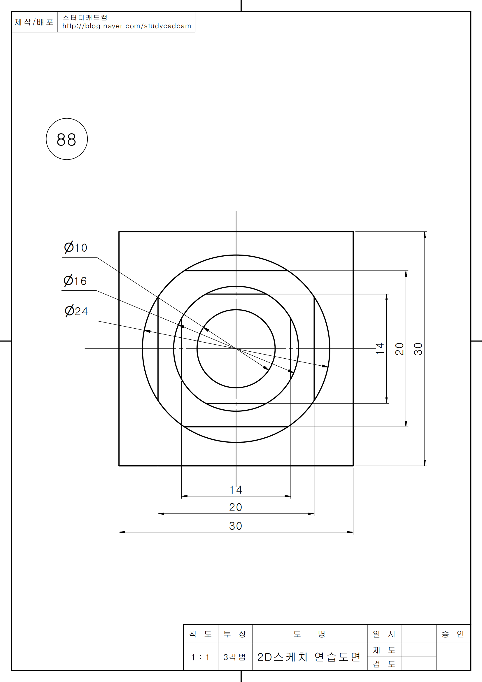
88

89

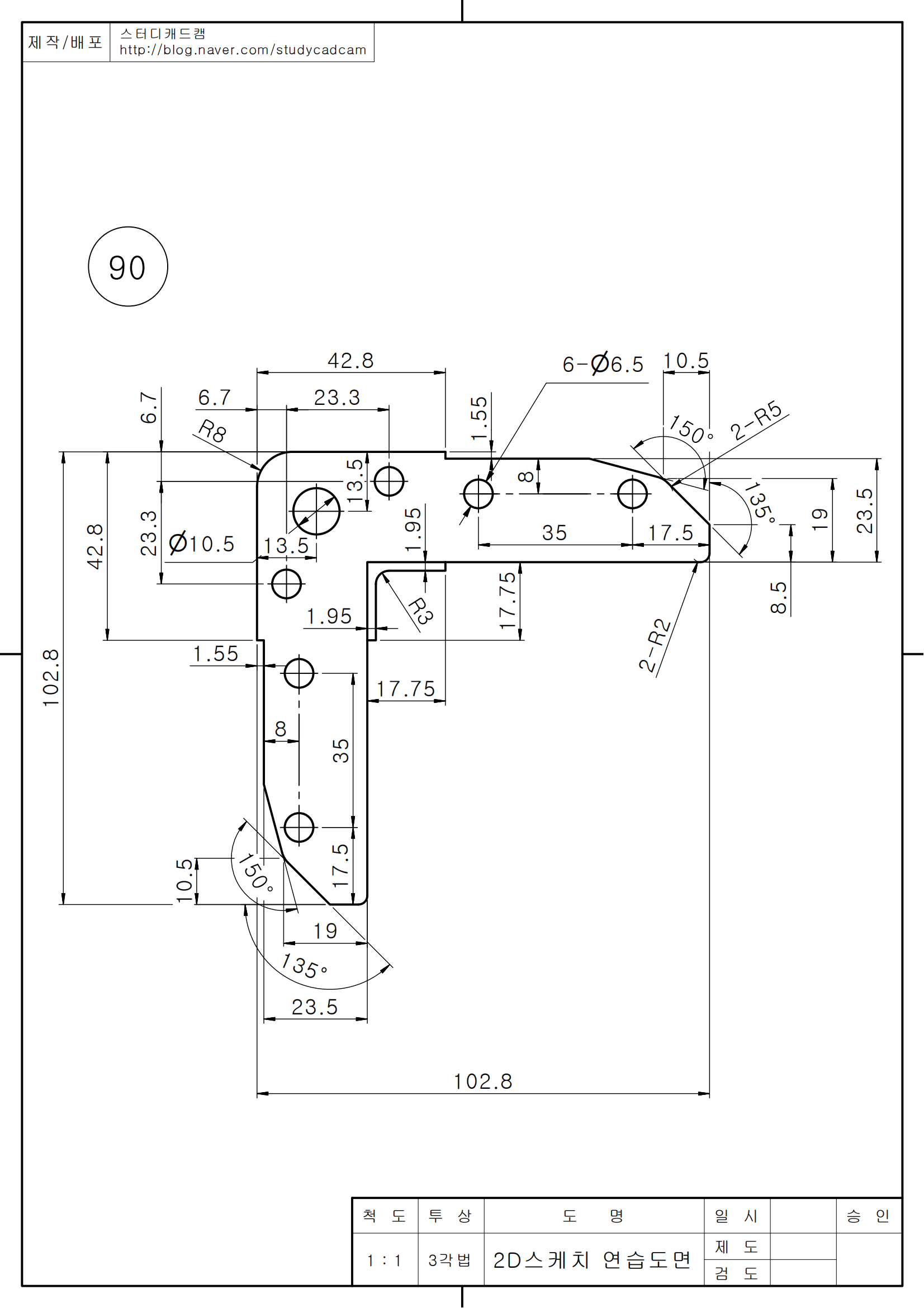
90