StudyCadCam 3D
返回首页
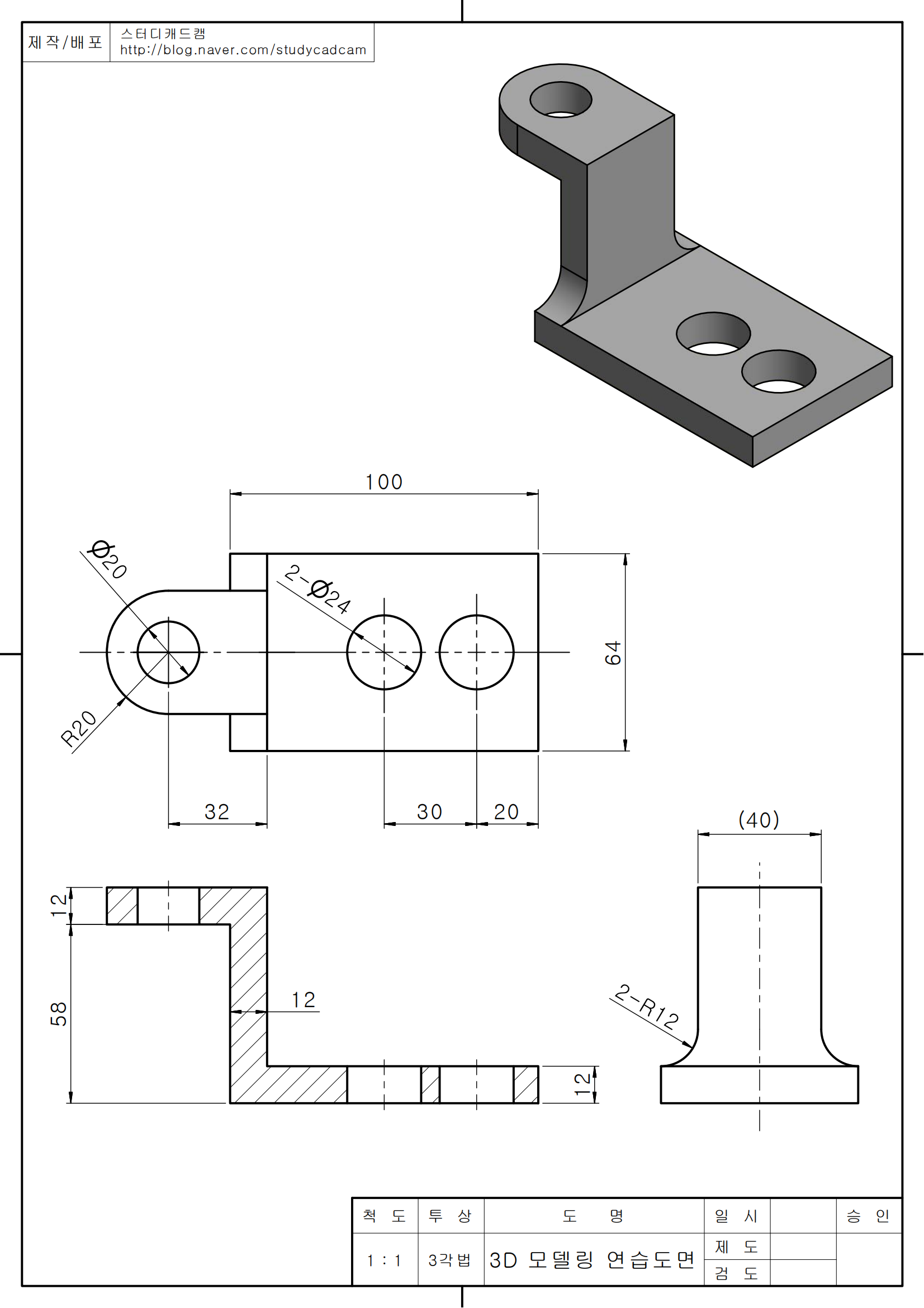
3D 11-20

11

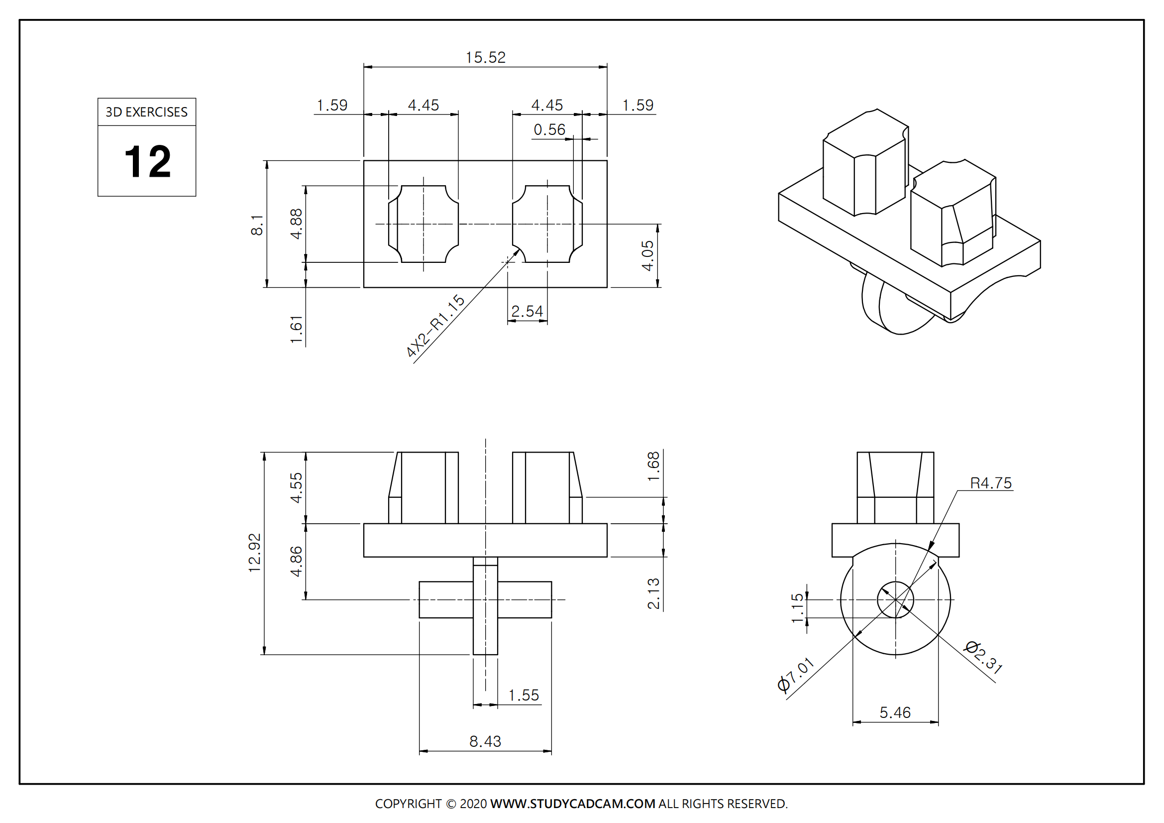
12

13

14

15

16

17

18

19

20