3D 261-270
261
262
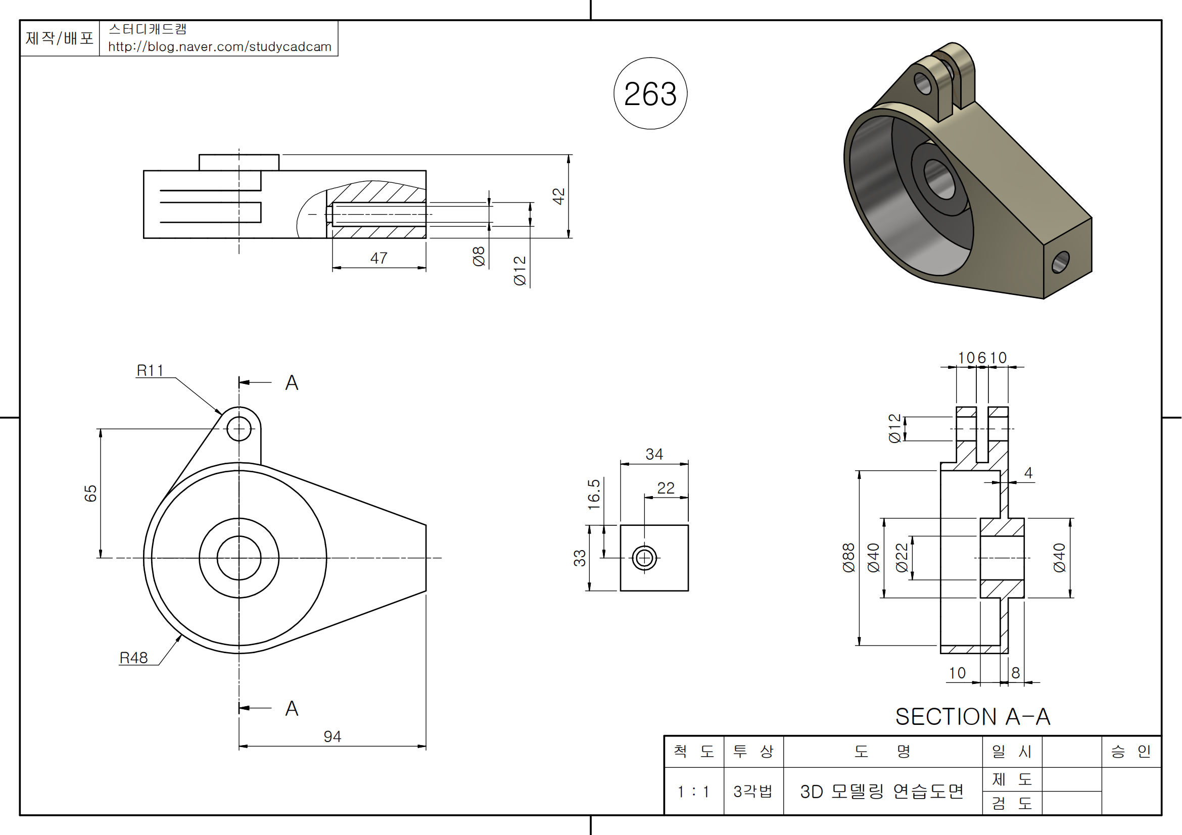
263
264
265
266
267
268
269
270
261
262
263
264
265
266
267
268
269
270