StudyCadCam 3D
返回首页
3D 31-40

31

32

33

34

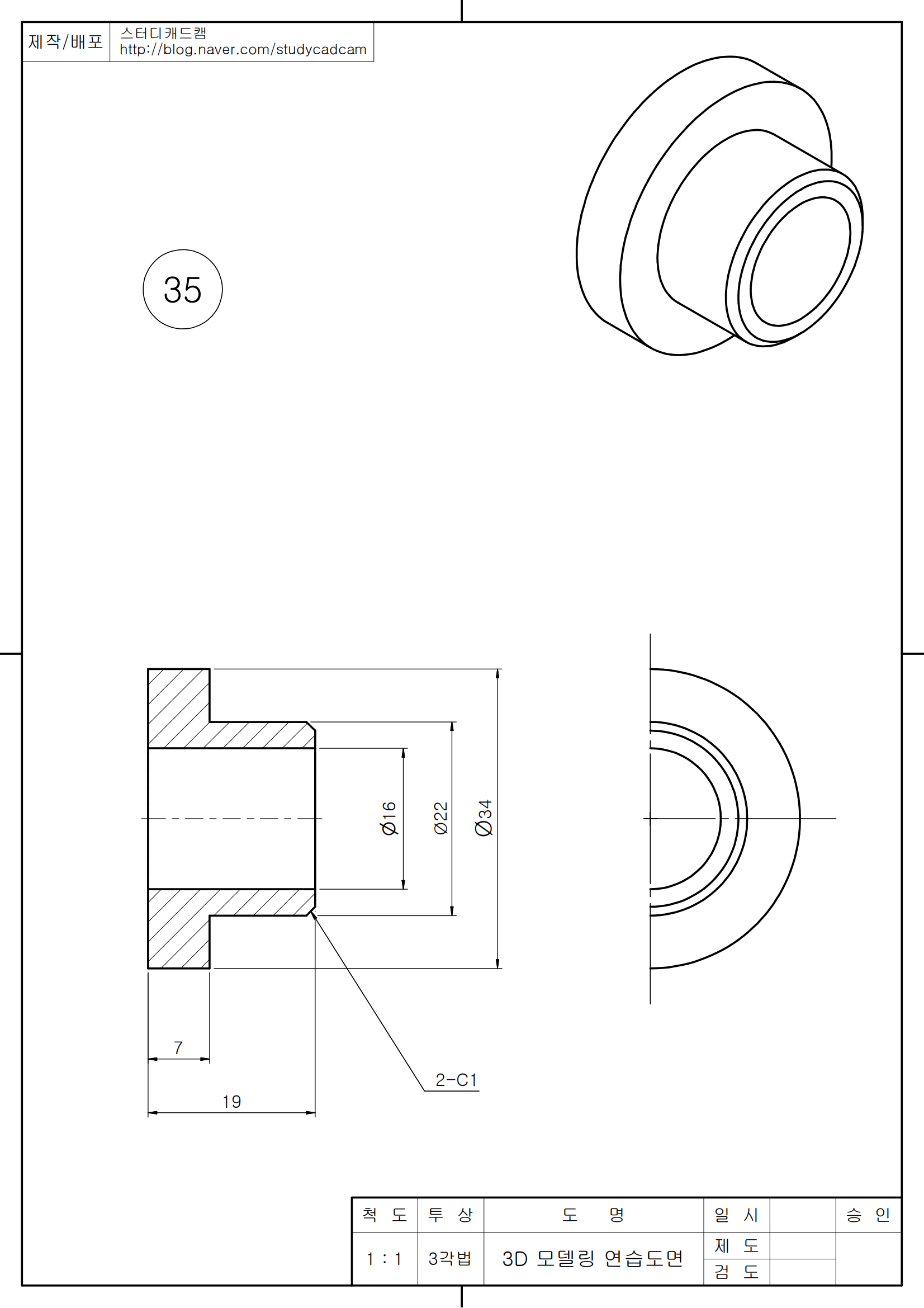
35

36

37

38

39

40