StudyCadCam 3D
返回首页
3D 41-50

41

42

43

44

45

46

47

48

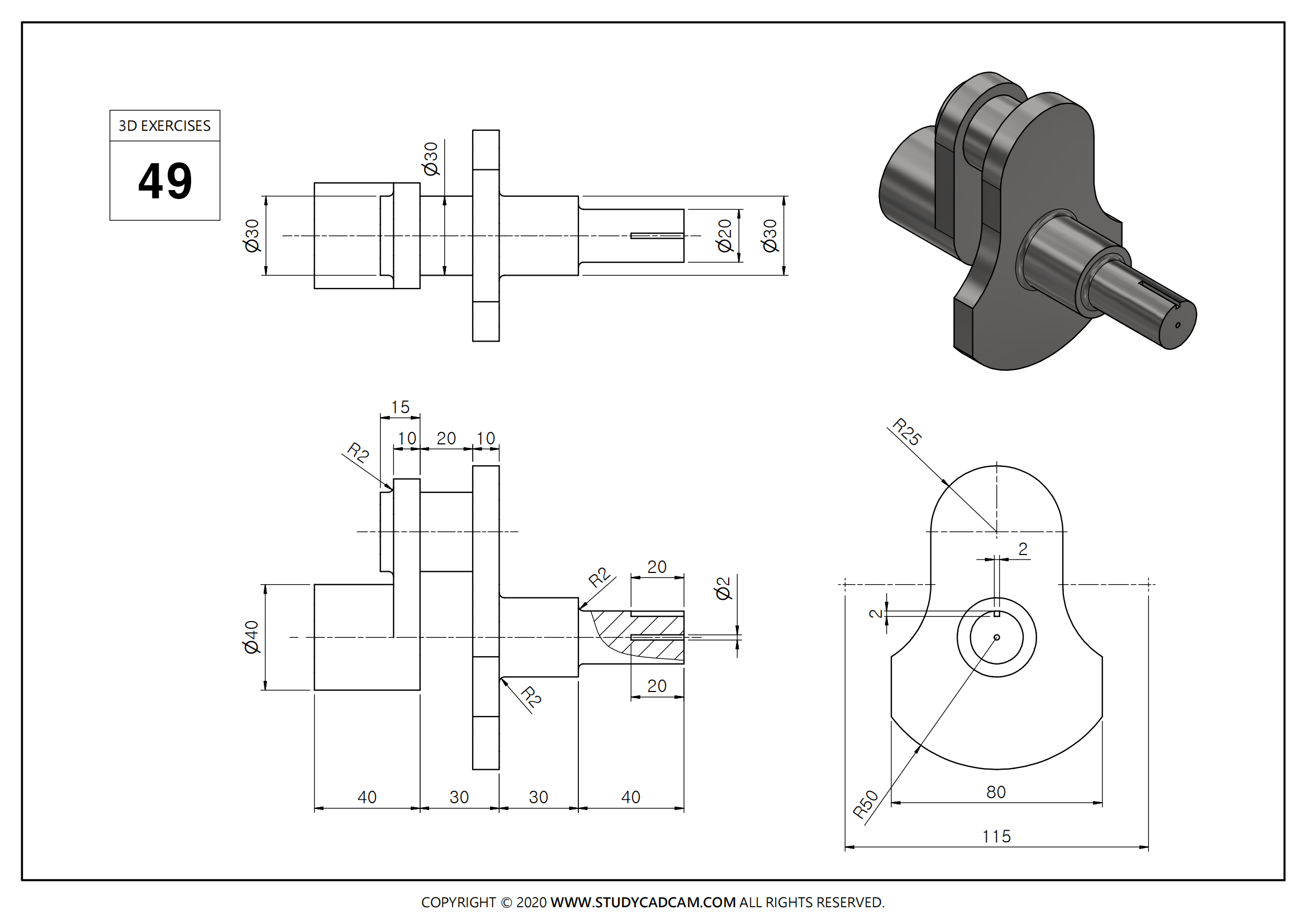
49

50