StudyCadCam 2D
返回首页
2D 421-430

421

422

423

424

425

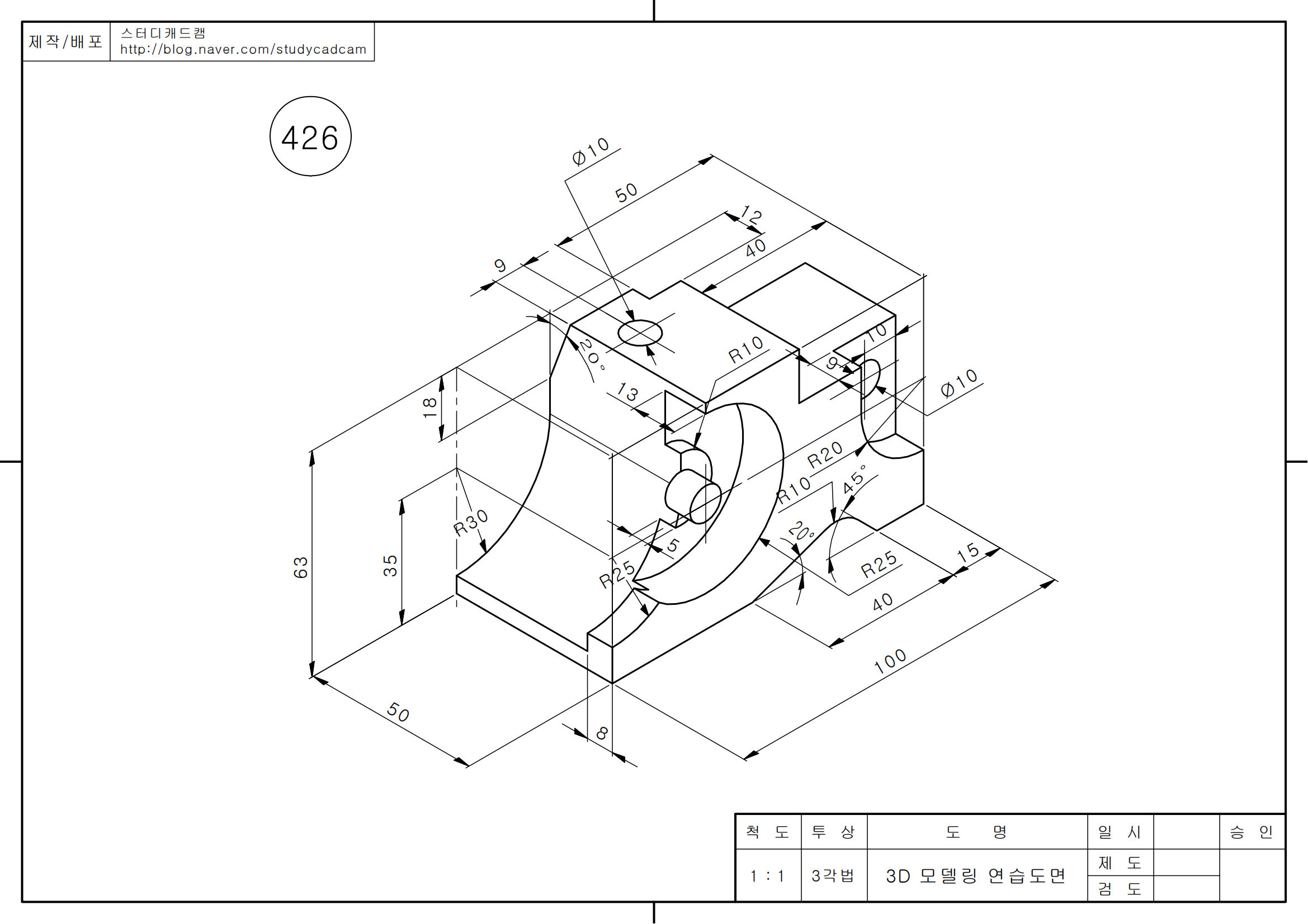
426

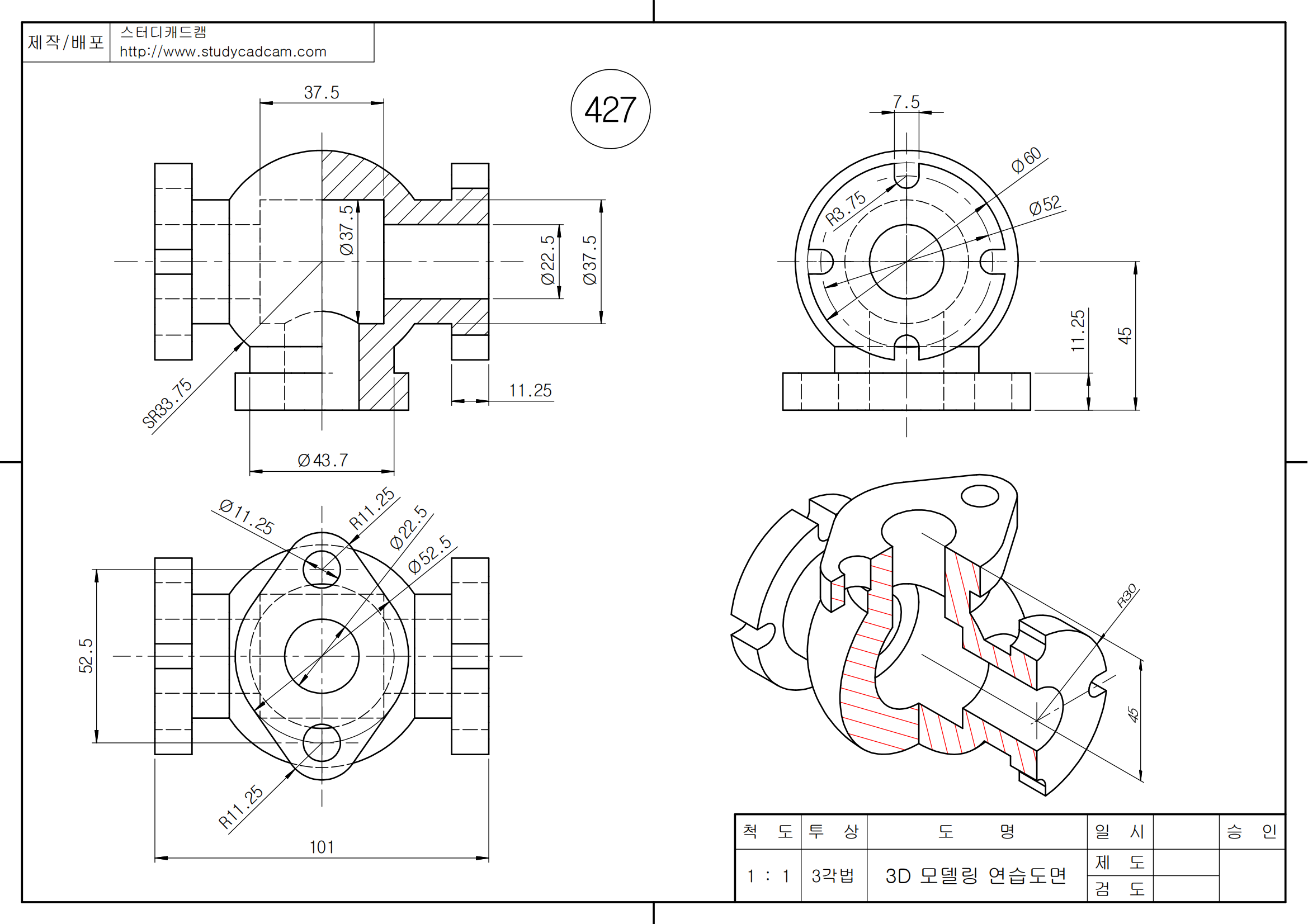
427

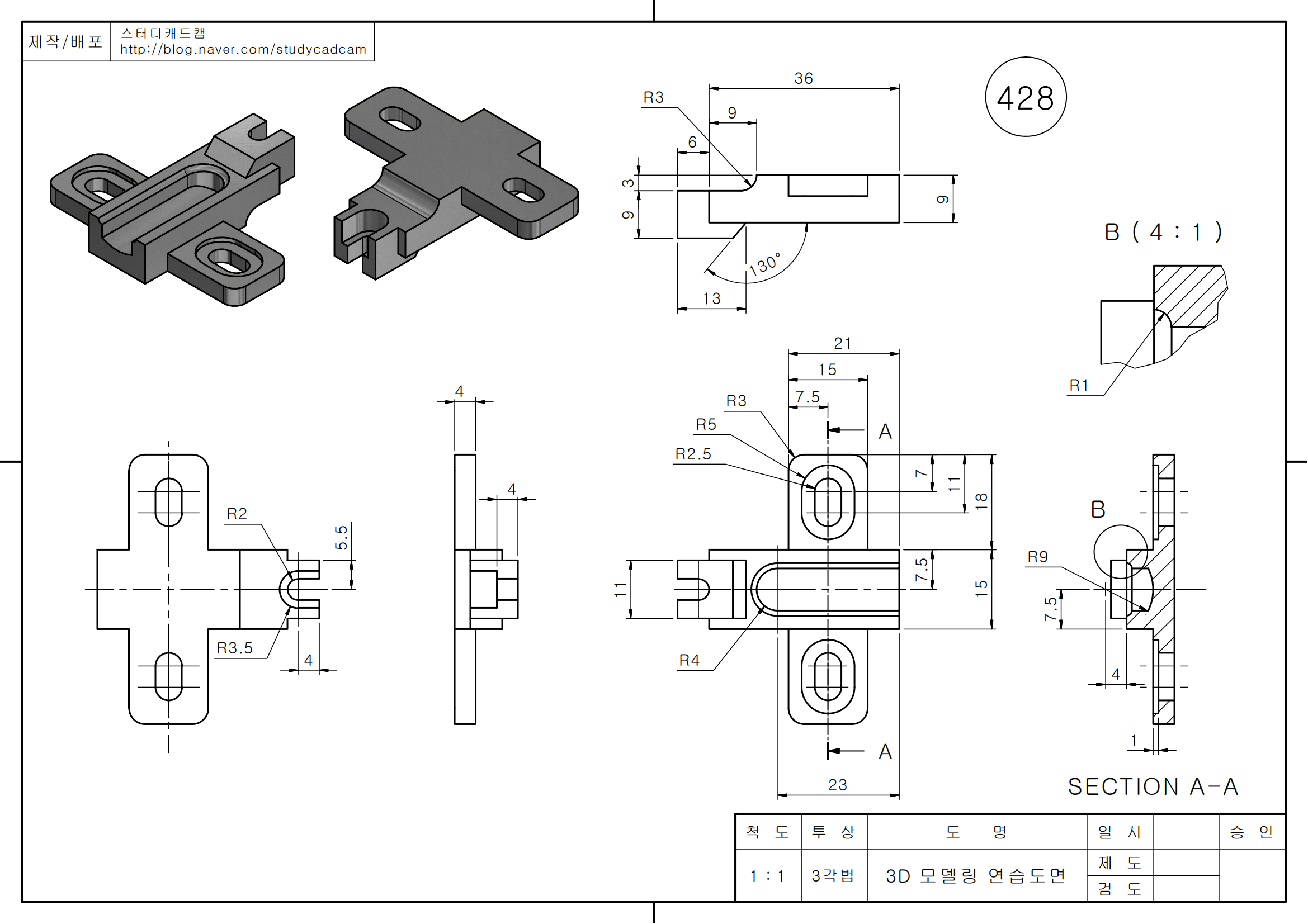
428

429

430