3D 481-490
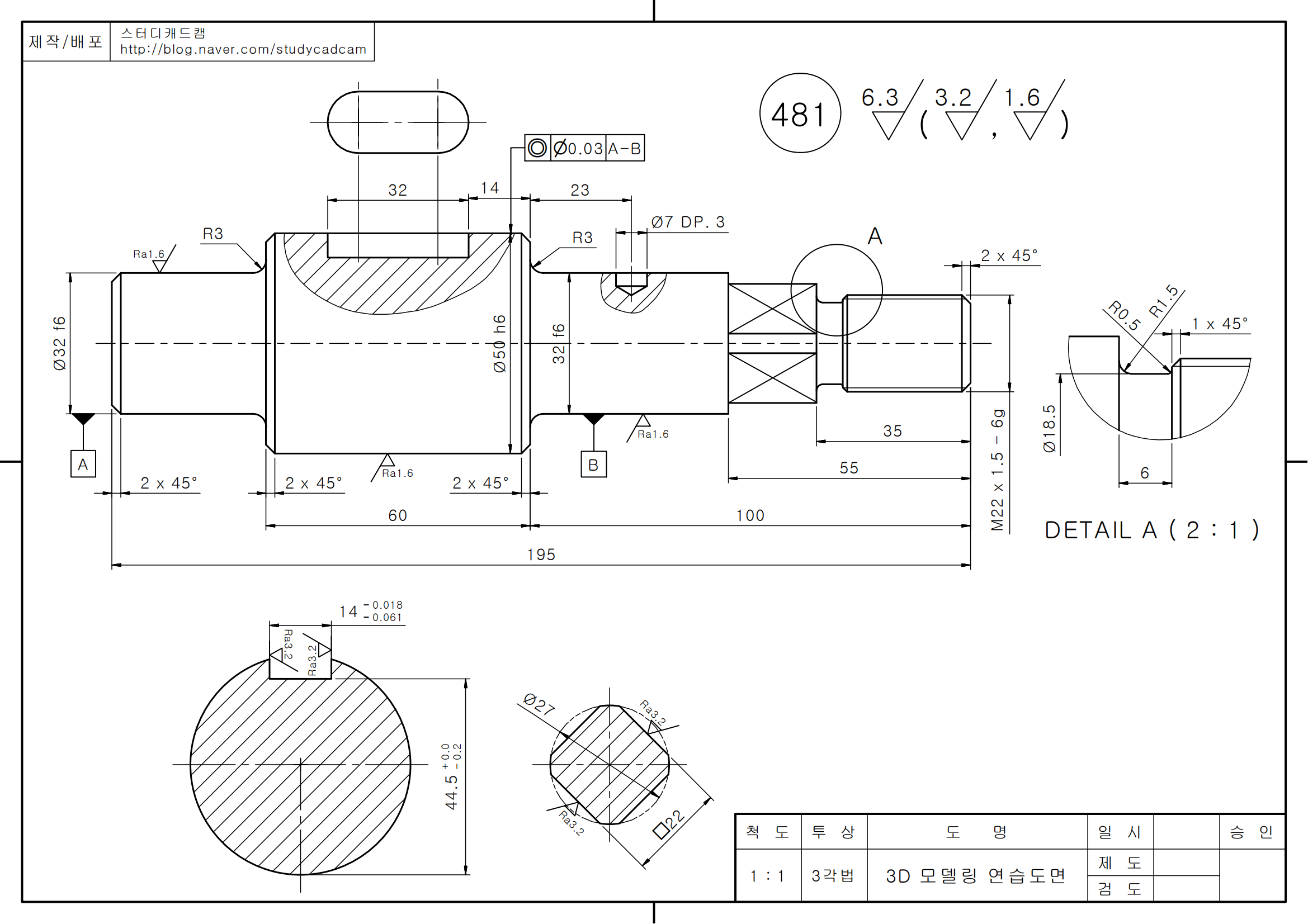
481
482
483
484
485
486
487
488
489
490
481
482
483
484
485
486
487
488
489
490