StudyCadCam 3D
返回首页
3D 71-80

71

72

73

74

75

76

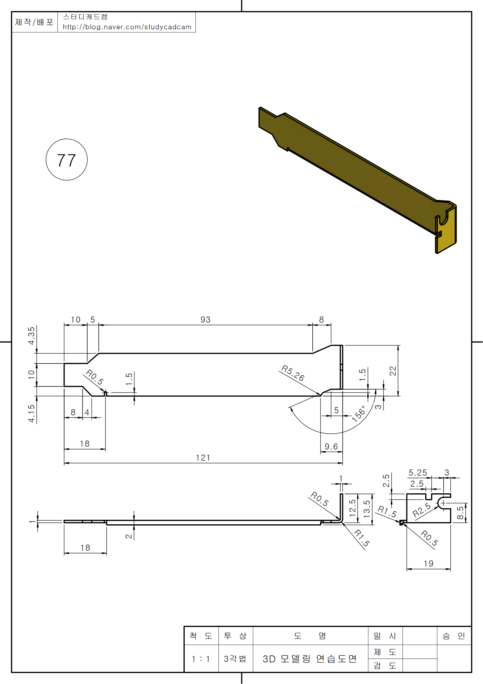
77

78

79

80